全国威客小姐最新消息威客网接单平台 ,一品阁茶楼论坛官网入口 ,最新全国茶楼app免费的行情网站app软件合集,一凤一楼论坛官网

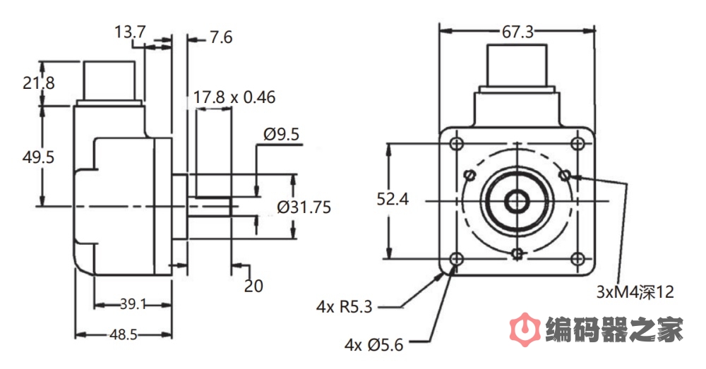
H25D-SS-5000-ABZC-28V/5-SM18,BEI方形增量编码器定制替代品

微信扫一扫,分享到朋友圈

H25D-SS-5000-ABZC-28V/5-SM18,BEI方形增量编码器定制替代品
展开阅读全文
+86 15050450799 Email:sividi365@gmail.com
上一篇

TRT58-KA8192R4096C4MT01,TWK绝对值编码器

下一篇

CE65M 110-02807,帝尔绝对值编码器(Profibus-DP通讯信号)

你也可能喜欢

微信 微信
微信
返回顶部